10年经验,专业值得信赖
为什么选择我们

我们做什么的

我们服务的客户

众多世界500强企业
进口真空泵销售
新闻动态
NEWS
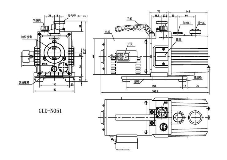
GLD-N051油旋片真空泵
来源: | 作者:进口真空泵代理商 | 发布时间: 2024-08-09 | 64 次浏览 | 🔊 点击朗读正文 ❚❚ | 分享到:

特长

● 高性能、高质量、高可靠性的油旋片式真空泵
● 散热效果好、真空度高
● 油位视窗大,便于确认油污染状况
● 低震动、低噪音等优点


用途

● 冰箱、空调、饮水机自动抽空线
● 照明理化学实验用、分析仪器用
● 激光应用机器真空排气设备、真空干燥器
● 电子显微镜的辅助泵、半导体制造设备

● 溅射设备、真空镀膜设备


技术参数:


外形尺寸图:



抽气速率曲线: