10年经验,专业值得信赖
为什么选择我们

我们做什么的

我们服务的客户

众多世界500强企业
进口真空泵销售
新闻动态
NEWS
PVD-180-1油旋片真空泵
来源: | 作者:进口真空泵代理商 | 发布时间: 2024-08-09 | 70 次浏览 | 🔊 点击朗读正文 ❚❚ | 分享到:
产品详情

特长

● 排气性能稳定,噪音低

● 打开气镇阀,可排出一定量的水蒸气,并净化油箱内的真空泵油
● 维修保养方便



大油量型
● 设有底部放油口和专门加油口,便于定期换油
● 降低泵的油温,减少油的氧化和劣化,延长油的使用寿命
● 降低吸入泵中的蒸气及粉尘所引起的油污染的程度,从而减少油更换的频率,降低使用成本


用途

● 中央空调、照明、制冷、冷媒灌注机、液晶注入机
● 真空冷冻干燥、真空包装、各种真空设备等相关行业

技术参数:

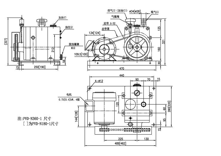
外形尺寸图:

抽气速率曲线: